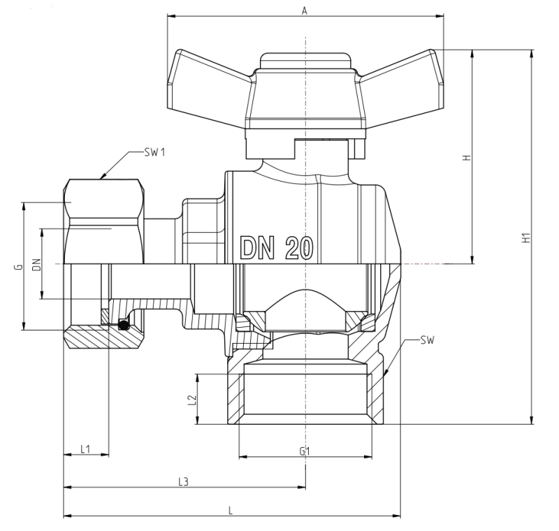
Кутовий кульовий клапан з вільною гайкою
1222423-1222424
1222423-1222424
Кран найчастіше використовується у випадках, коли для безпосереднього монтажу на систему, через відсутність місця, потрібна вільно обертовий гайка. Часто використовується при підключенні до розподільника для питної води, при монтажі водомірів та в подібних випадках, де є обмеження у просторі. До крана додається ущільнення.
| ident | EAN | DN | PN | G [in] | L [mm] | L1 [mm] | L2 [mm] | L3 [mm] | H | A | Sw | Sw1 | упаковка | |
| 1222423 | 3838963247425 | 20 | 25 | G3/4˝ | 73,2 | 9 | 10 | 48,2 | 41,8 | 55 | 30 | 31 | 25 | |
| 1222424 | 3838963247463 | 25 | 25 | G1˝ | 81,8 | 12 | 14 | 57,3 | 52,9 | 75 | 37 | 36 | 16 | |
Кульові крани з вільно обертовою гайкою найчастіше використовуються при монтажі мідних розподільників 15300xx (2 8530 xx), при установці водомірів, а також у подібних ситуаціях, де є просторові обмеження. Ці крани розроблені для легкого та швидкого монтажу завдяки вільно обертовій гайці. Зверніть увагу, що до крана додається також плоске ущільнення для надійного герметизування.

- Заява про відповідність - SLO, ENG, DEU
Дані про експлуатацію:
Середовище:
Чистота води повинна відповідати стандартам ÖNORM H 5195 та VDI 2035. Використання етиленгліколю або пропіленгліколю в змішаній пропорції 25–50 % дозволено. EPDM ущільнення чутливі до мастил з мінеральними оліями, що може призвести до пошкодження ущільнень. При використанні етиленгліколевих продукції для захисту від замерзання та корозії дотримуйтеся документації виробника.
- Максимальний робочий тиск: 25 бар
- Мінімальна робоча температура: -30 °C (вода 0,5 °C)
- Максимальна робоча температура: 150 °C (вода 110 °C, без пари)
- Середовище: санітарна вода або вода для опалювальних систем
- Підключення: внутрішнє G3/4" (1222103) та G1" (1222104) за стандартом ISO 228
Середовище:
Чистота води повинна відповідати стандартам ÖNORM H 5195 та VDI 2035. Використання етиленгліколю або пропіленгліколю в змішаній пропорції 25–50 % дозволено. EPDM ущільнення чутливі до мастил з мінеральними оліями, що може призвести до пошкодження ущільнень. При використанні етиленгліколевих продукції для захисту від замерзання та корозії дотримуйтеся документації виробника.